Grzejnik łazienkowy drabinka 400x700 275W z zaworem zespolonym - czarny
Cena regularna:
Cena regularna:
towar niedostępny
dodaj do przechowalni
5
Opis
Grzejnik łazienkowy czarny Nero 40/70, 10-żeberek, MOC-275W CZARNY w komplecie z zaworem termostatycznym jednootworowym DIAMOND
Model ten to nie tylko urządzenie grzewcze ale przede wszystkim prawdziwa sztuka o nowoczesnej i wyrafinowanej linii prezentująca się wytwornie w każdej łazience. Przeznaczone są do instalacji C.O. domowej sieci grzewczej.
Grzejniki posiadają zasilanie dolne-boczne.
Grzejnik łazienkowy 400x700 10 żeberek z zaworem termostatycznym - DANE TECHNICZNE:
- kolor: czarny
- wysokość: 700 mm
- szerokość: 400 mm
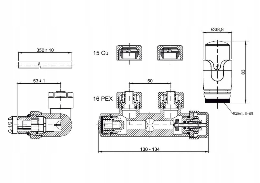
- rozstaw przyłączy: 350 mm
- moc: 275 Watt ( ΔT 50 – (75/65/20°C))
- ciśnienie nominalne: 6 bar
- maksymalna temperatura pracy: 95°C
- media robocze: woda ciepła i zimna instalacji centralnego ogrzewania
W komplecie: zawieszenia, zestaw montażowy, korki zaślepiające oraz odpowietrznik.
Do grzejnika łazienkowego istnieje możliwość zamontowania grzałki elektrycznej (również w ofercie).
Zawór termostatyczny jednootworowy DIAMOND
Wysokiej jakości zestaw termostatyczny do podłączenia urządzenia grzewczego do instalacji oraz precyzyjnego ustawienia temperatury w pomieszczeniu.
W skład zestawu wchodzi głowica termostatyczna, rurka mosiężna oraz zawory grzejnikowe zespolone.
- Kolor : CZARNY
- Maksymalna temperatura pracy : 120°C
- Maksymalne ciśnienie pracy: 10 bar
- Zakres regulacji temperatury: 6-28°C
- Zawór termostatyczny jednootworowy ½” z rozstawem 50 mm
- Komplet złączek zaciskowych PEX 16 oraz CU 15
Zawór termostatyczny jednootworowy znajduje swoje zastosowanie w grzejnikach łazienkowych, gdzie konieczne jest podłączenie zasilania i powrotu z grzejnika do jednego otworu przyłączeniowego.
To rozwiązanie jest szczególnie preferowane przy potrzebie zastosowania dodatkowej grzałki elektrycznej w grzejniku łazienkowym.
Ten sam zawór, dzięki swojej innowacyjnej konstrukcji, może zostać zamontowany w wersji lewej i prawej prostej oraz lewej i prawej kątowej.
Zestaw posiada komplet złączek do PEX 16 i miedzi 15.
WYKOŃCZENIE I LAKIEROWANIE
Grzejniki łazienkowe Nero są doskonale zabezpieczone antykorozyjnie. Grzejniki są: odtłuszczane, cynkofosforowane, zagruntowane zanurzeniowym malowaniem wstępnym (kataforeza), a następnie zostają pokryte proszkiem antyelektrostatycznym zgodnie z DIN 55900 dzięki czemu powłoka zachowuje swą idealność na długie lata. Ostatnim procesem jest wypalanie powłoki lakierniczej w 200*C.
KONTROLA JAKOŚCI
Grzejniki łazienkowe podlegają rygorystycznej kontroli jakości, dotyczącej materiału, grubości ścianek, wymiarów i połączeń spawanych. Grzejniki przechodzą próbę ciśnieniową.
